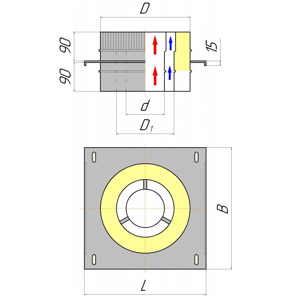
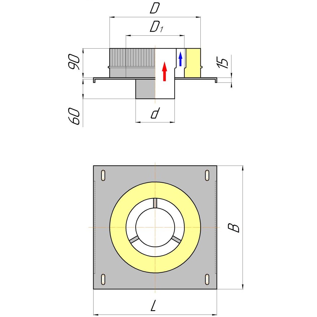
Монтажная площадка трехконтурная вентилируемая МПИВ производства «КДМ» - это элемент стального трехконтурного дымохода, предназначенный для его фиксации в горизонтальной и вертикальной плоскости, обеспечивая надежность и устойчивость всей дымоходной системы. Монтажная площадка МПИВ может использоваться в опорном или сквозном варианте. Она опирается на Кронштейн монтажной площадки КМПО и может выдерживать большую нагрузку. Если дымоход большой длинны, то для снятия вертикальной нагрузки Монтажные площадки МПИВ устанавливают через каждые 2 метра. Также, она может применяться в качестве переходника, при монтаже трехконтурного стального дымохода на кирпичную кладку. В случае бокового подключения к отопительному устройству, в нижнейчасти монтажной площадки устанавливается Конденсатосборник КСБ. На место соединения вентилируемой монтажной площадки с остальными фасонными элементами стального дымохода «КДМ» наносится термостойкий силикатный герметик для обеспечения газоплотности. Принцип работы трехконтурной трубы и фасонных трехконтурных элементов «КДМ» заключается в том, что внутренняя труба, по которой идет дым, охлаждается за счет вентиляции. Избыточное тепло от внутреннего контура отводится с помощью проходящего воздушного потока, тем самым исключается перегрев. Попутно решается вопрос вентиляции. Это один из главных факторов долговечности трехконтурных дымоходов «КДМ». Другим важным фактором является применение профессиональных материалов и высокое качество исполнения.
Компания «КДМ» выпускает Монтажные площадки МПИВ техконтурные вентилируемые со стандартной толщиной керамической изоляции 25 мм и 50 мм. Также возможно изготовление тройников на заказ, с произвольной толщиной изолятора, с любым внутренним и наружным диаметром.
Фасонные элементы трехконтурного дымохода «КДМ» отличаются высоким качеством исполнения, точностью геометрии, идеальной подгонкой. Гарантия производителя на них составляет 15 лет, при условии соблюдения правил монтажа, обслуживания и соответствии дымохода типу отопительного устройства. Огромным преимуществом продукции «КДМ» в сравнении с большинством стальных дымоходов, представленных на рынке Беларуси, является применение в качестве изолятора керамического одеяла класса "Супервул", устойчивого к температуре до 1260 градусов и не содержащим связующих фенольных смол. В качестве связующего каркаса, огнеупорное одеяло "Супервул" прошито нитью из муллитовой керамики. Другим важным отличием фасонных элементов «КДМ», является легированная титаном нержавеющая сталь внутреннего контура марки AISI 439TI, толщиной 1мм. Сталь марки AISI 439 (08Х17Т) отличается от бюджнетной стали AISI 430 присутствием в составе никеля и титана, а значит имеет повышенную жаростойкость (до 900 °С.) и кислотостойкость. Благодаря этому, детали дымохода (в том числе и Монтажная площадка вентилируемая МПИВ) производства «КДМ» рекомендованы для применения в тепловых агрегатах, имеющих высокие температуры на выходе (банные печи, отопительные печи, каминные топки), а так же если есть риск образования конденсата (дровяные, пеллетные и газовые котлы). Однако для наиболее агрессивных влажных и кислых сред, например в дымоходах, подключаемых к дизельным котлам, компания «КДМ» изготовит элементы стального дымохода на заказ, с необходимой для этого маркой стали.
Площадки монтажные трехконтурные МПИВ «КДМ» изготовлены из листовой нержавеющей стали, сваренной с помощью высокоточного автоматизированного оборудования, работающего по технологии TIG-сварки. Это оборудование производит сварку труб с использованием нержавеющей кислотостойкой стали марки AISI 304, в среде инертного газа - аргона, что исключает окисление металла.
Еще одним важным преимуществом стальных фасонных элементов «КДМ», которое вам не предложит ни один отечественный производитель - это возможность окрашивания наружного контура в любой цвет, согласно каталога RAL. Вы можете заказать продукцию компании «КДМ» любого цвета, который подойдет для крыши вашего дома или интерьера. Полимерно-порошковое температурное окрашивание по современной технологии позволяет создать покрытие нужного цвета, которое будет надежно защищать дымоход от атмосферных воздействий.
Внутренний контур Площадки монтажной вентилируемой МПИВ производства «КДМ» выполнен из легированной титаном нержавеющей стали марки AISI 439TI, толщиной 1мм, которая обладает жаростойкими, антикоррозионными и кислотостойкими свойствами. Ее применение делает дымоход «КДМ» абсолютно надежным и долговечным, рекомендованным для применения в банных и отопичельных печах, каминных топках, а также твердотопливных котлах.

| Изоляция: 25мм | Изоляция: 50мм | |||||||||
|---|---|---|---|---|---|---|---|---|---|---|
| d | 120 | 150 | 180 | 200 | d | 120 | 150 | 180 | 200 | |
| D1 | 180 | 200 | 250 | D1 | 180 | 200 | 250 | |||
| D | 230 | 250 | 300 | D | 280 | 300 | 350 | |||